16 Mar,2026
Vaihteisto vs. siipi vs. mäntä: Mikä teollisuushydraulipumppu tarjoaa parhaan tehokkuuden?


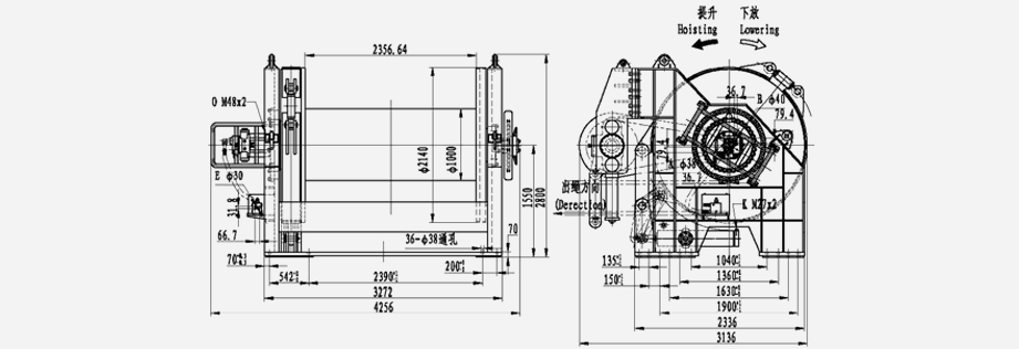
| 1. kerroksen nimellinen täysi (kN) | 1000 |
| Nimellisnopeus 1. kerroksella (m/min) | 7 |
| Kokonaissiirtymä (ml/r) | 131500 |
| Järjestelmän paine (MPa) | 35 |
| Diff. paine (MPa) | 32 |
| Köyden halkaisija (mm) | 52 |
| Köysikerrosten lukumäärä | 9 |
| Rummun kapasiteetti (m) | 1800 |
| Pumpun virtaus (l/min) | 300 |
| Moottorin tyyppi | HL-A4FM500-01 |
| Vaihteiston tyyppi | IGC550W3-B263 (i=263) |
Käyttäjät luottavat syvästi kuuluisien yritysten toimittamiin tuotteisiin.
Vuosien kokemus alalta
Tehdasalue
Osaavat työntekijät
Edistynyt tuotantolinja
INI Hydraulic Co., Ltd. Olemme erikoistuneet hydraulisten vinssien, hydraulimoottoreiden ja planetaaristen vaihteistojen suunnitteluun ja valmistukseen yli kahdenkymmenen vuoden ajan. Olemme yksi ammattimaisista rakennuskoneiden lisävarusteiden toimittajista Aasiassa. Räätälöiminen asiakkaiden nerokkaan laitesuunnittelun optimoimiseksi on tapa pysyä hengissä vakaasti markkinoilla. Olemme 26 vuoden aikana kehittäneet laajan valikoiman tuotelinjoja, jotka perustuvat itse kehitettyihin teknologioihimme. Laaja tuotevalikoima, jokainen läheisesti korreloi, sisältää hydraulisia ja sähköisiä vinssejä, planetaarisia vaihteistoja, kääntölaitteita, vaihteistoja, hydraulimoottoreita, pumppuja ja hydraulijärjestelmiä.
Tuotteidemme luotettavuus on todistettu vahvasti erilaisissa sovelluksissa, mukaan lukien rajoituksetta teollisuuskoneet, rakennuskoneet, laiva- ja kansikoneet, off-shore-laitteet, kaivos- ja metallurgiset koneet.
Lisäksi useat maailmanlaajuisesti tunnetut sertifiointielimet ovat hyväksyneet tuotteidemme laadun. Tuotteidemme saamia sertifikaatteja ovat EY-tyyppitarkastustodistus, BV MODE, DNV GL -sertifikaatti, EY-vaatimustenmukaisuustodistus, merituotteiden tyyppihyväksyntätodistus ja Lloyd's Register -laadunvarmistus. Toistaiseksi olemme vieneet tuotteitamme laajasti kotimarkkinoiden Kiinan lisäksi Yhdysvaltoihin, Saksaan, Alankomaihin, Australiaan, Venäjälle, Turkkiin, Singaporeen, Japaniin, Etelä-Koreaan, Malesiaan, Vietnamiin, Intiaan ja Iraniin. Logistiikka- ja huoltopalvelumme kattavat koko maailman nopeasti ja luotettavasti asiakkaidemme syvien etujen mukaisesti.
16 Mar,2026
09 Mar,2026
02 Mar,2026
23 Feb,2026
16 Feb,2026
TOP