16 Mar,2026
Vaihteisto vs. siipi vs. mäntä: Mikä teollisuushydraulipumppu tarjoaa parhaan tehokkuuden?


Moottorit, joissa on korkea paine, nopea käyttö ja tasapainoventtiilit,
Se on suunniteltu korkeaan kuormitukseen
Se on ihanteellinen ratkaisu 6-50 tonnin hydrauliseen kaivukoneeseen
Tehokas ja kompakti muotoilu
Korkeapainetekniikka lisää hydraulijärjestelmän tehokkuutta
Kaksinopeuksinen moottori integroidulla tasapainoventtiilillä ja paineenalennusventtiilillä
Moottorissa on hydraulinen jarrutustoiminto
Nopeutta voidaan muuttaa automaattisesti pyynnöstä
Matala lämpötila, korkea hyötysuhde
Käyttölämpötila-alue: -20 °C ~ 80 °C
Kompakti muotoilu
Pienitilavuuksiset korkeapainemoottorit pidentävät tärkeiden komponenttien käyttöikää ja parantavat kokonaisuutta
Järjestelmän kestävyys
Täyskuparinen vuoraus hydraulisen männän pyörittämiseen
Kaksoismetallinen (kupari/teräs) jakelualusta
Pyörimisyhdistelmä erityisellä jousijärjestelmällä pidentää moottorin käyttöikää
Supistimen kolminkertainen tiivistejärjestelmä: mekaaninen labyrinttitiiviste, V-tyyppinen öljytiiviste, pääöljytiiviste.
Pääöljytiiviste voidaan vaihtaa ilman alennusventtiilin purkamista
Supistimen laakerit ovat itsenäisiä komponentteja, helppo asentaa ja ne voidaan säätää täysin negatiivisille kuormille
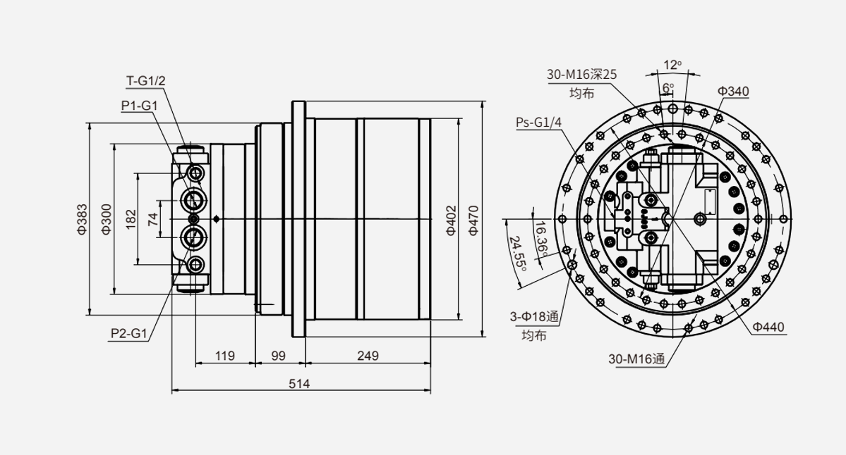
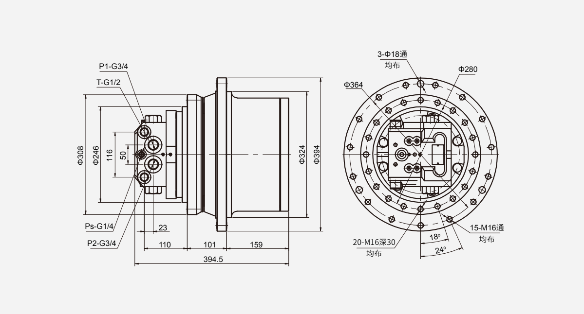
ITM01:
| Modaalinen | (l/min) | (ML/r) | (Mpa) | (Mpa) | Välityssuhde | (N.m) | (r/min) | Kierto | (℃) | (mm2/s) |
| ITM01 | 20 | 6.31/12.56 | 25 | 2-7 | 36.96 | 1845 | 85,8/43 | kaksisuuntainen | -20-80 | 16-25 |
| Modaalinen | (l/min) | (ML/r) | (Mpa) | (Mpa) | Välityssuhde | (N.m) | (r/min) | Kierto | (℃) | (mm2/s) |
| ITM03 | 40 | 18.12 | 21 | 2-7 | 45.2 | 2719 | 55/37 | kaksisuuntainen | -20-80 | 16-25 |
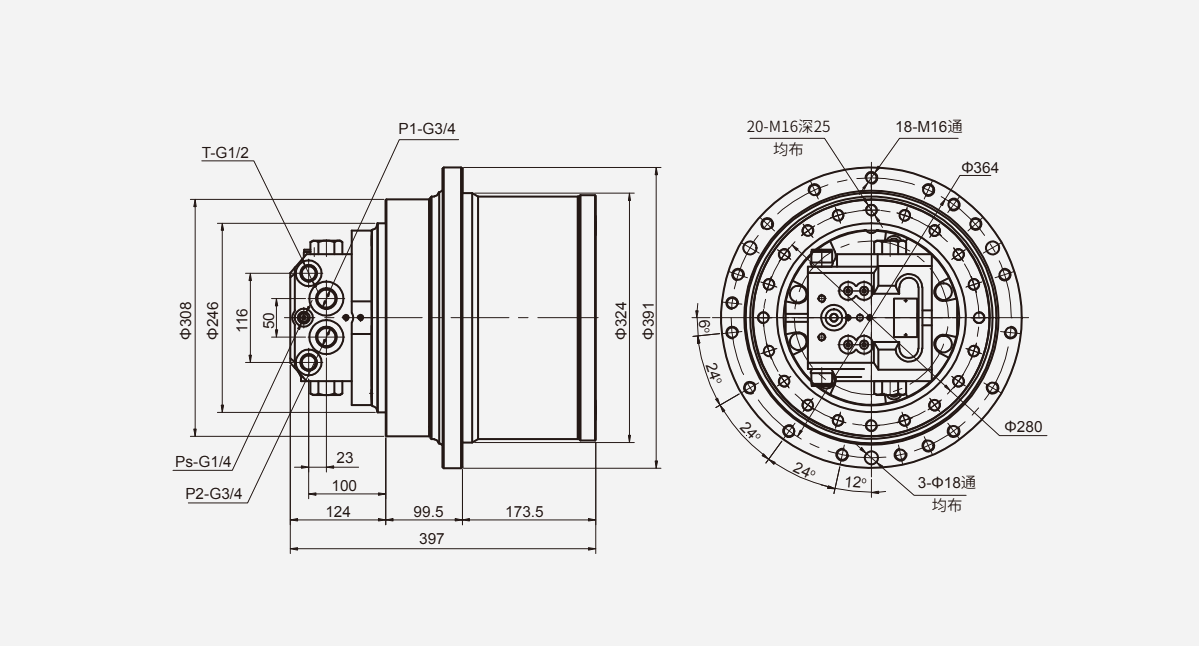
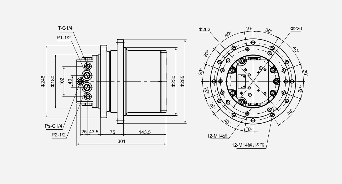
ITM04:
| Modaalinen | (l/min) | (ML/r) Moottori | (Mpa) | (Mpa) | Välityssuhde | (N.m) | (r/min) | Kierto | (℃) öljy | (mm2/s) |
| ITM04 | 40 | 14.3/23.6 | 21 | 2-7 | 52.7 | 4200 | 55/33 | kaksisuuntainen | -20-80 | 16-25 |
| Modaalinen | (l/min) Tulovirta | (ML/r) | (Mpa) | (Mpa) | Välityssuhde | (N.m) | (r/min) | Kierto | (℃) | (mm2/s) |
| ITM06 | 50 | 19/34 | 24.5 | 2-7 | 47.53 | 6300 | 55/30 | kaksisuuntainen | -20-80 | 16-25 |
| Modaalinen | (l/min) Tulovirta | (ML/r) | (Mpa) Käyttöpaine | (Mpa) | Välityssuhde | (N.m) | (r/min) | Kierto | (℃) öljyä | (mm2/s) |
| ITM07 | 50 | 22/44 | 27.5 | 2-7 | 53.706 | 10500 | 50/25 | kaksisuuntainen | -20-80 | 16-25 |
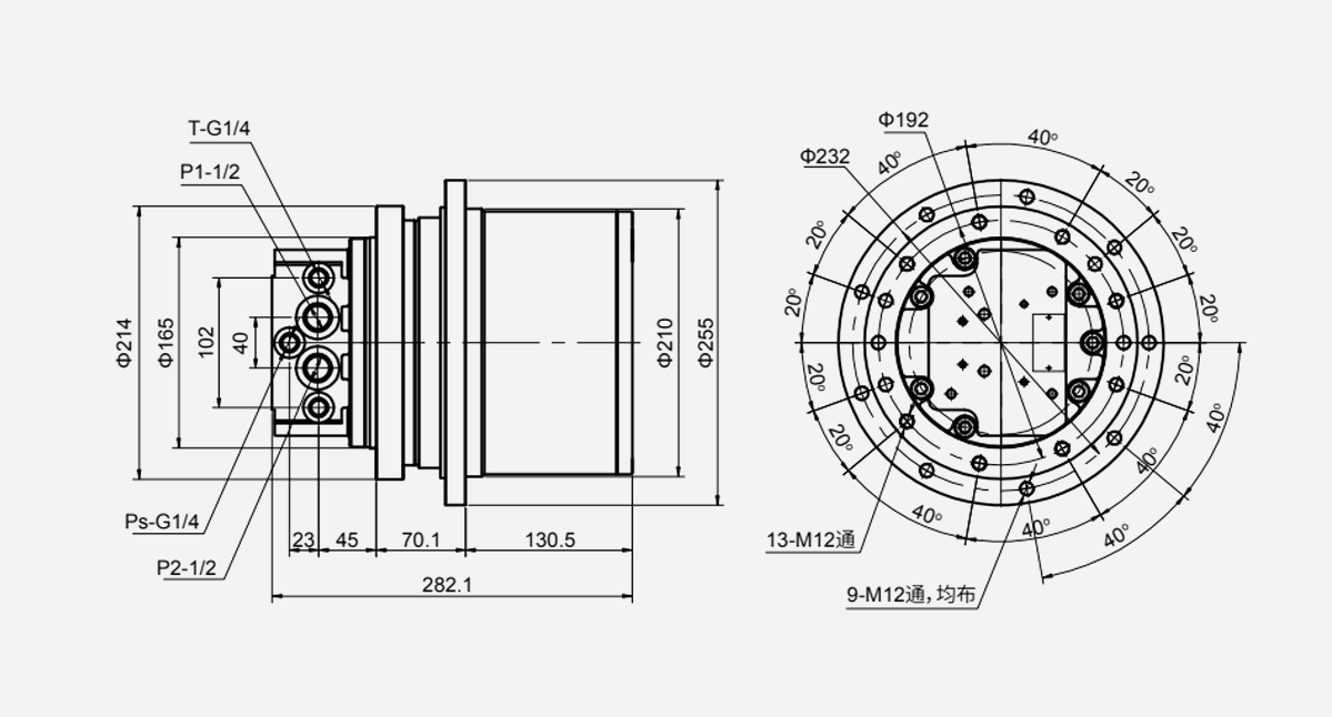
ITM09:
| Modaalinen | (l/min) | (ML/r) | (Mpa) | (Mpa) | Välityssuhde | (N.m) | (r/min) | Kierto | (℃) | (mm2/s) |
| ITM09 | 80 | 34/53 | 30 | 2-7 | 53.7 | 11500 | 51/33 | kaksisuuntainen | -20-80 | 16-25 |
| Modaalinen | (l/min) | (ML/r) | (Mpa) | (Mpa) | Välityssuhde | (N.m) | (r/min) | Kierto | (℃) | (mm2/s) |
| ITM10 | 80 | 38/65 | 25 | 2-7 | 53.7 | 13000 | 51/33 | kaksisuuntainen | -20-80 | 16-25 |
| Modaalinen | (l/min) | (ML/r) | (Mpa) | (Mpa) | Välityssuhde | (N.m) | (r/min) | Kierto | (℃) | (mm2/s) |
| ITM18 | 130 | 43/67 | 30 | 2-7 | 53 | 16900 | 57/37 | kaksisuuntainen | -20-80 | 16-25 |
| Modaalinen | (l/min) | (ML/r) | (Mpa) | (Mpa) | Välityssuhde | (N.m) | (r/min) | Kierto | (℃) | (mm2/s) | Sovellettava mallit |
| ITM22 | 130 | 48/81 | 34.3 | 2-7 | 53.7 | 23700 | 50/30 | kaksisuuntainen | -20-80 | 16-25 | 13-17 |
| Modaalinen | (L/min) | (ML/r) | (Mpa) | (Mpa) | Välityssuhde | (N.m) | (r/min) Teoreettinen | Kierto | (℃) | (mm2/s) |
| ITM40 | 230 | 99/147 | 34.3 | 2-7 | 50.5 | 40546 | 50/32 | kaksisuuntainen | -20-80 | 16-25 |
| Modaalinen | (L/min) | (ML/r) | (Mpa) | (Mpa) | Välityssuhde | (N.m) | (r/min) | Kierto | (℃) | (mm2/s) |
| ITM60 | 330 | 195/120 | 34.3 | 2-7 | 63.84 | 67000 | 40/26 | kaksisuuntainen | -20-80 | 16-25 |
Käyttäjät luottavat syvästi kuuluisien yritysten toimittamiin tuotteisiin.
Vuosien kokemus alalta
Tehdasalue
Osaavat työntekijät
Edistynyt tuotantolinja
INI Hydraulic Co., Ltd. Olemme erikoistuneet hydraulisten vinssien, hydraulimoottoreiden ja planetaaristen vaihteistojen suunnitteluun ja valmistukseen yli kahdenkymmenen vuoden ajan. Olemme yksi ammattimaisista rakennuskoneiden lisävarusteiden toimittajista Aasiassa. Räätälöiminen asiakkaiden nerokkaan laitesuunnittelun optimoimiseksi on tapa pysyä hengissä vakaasti markkinoilla. Olemme 26 vuoden aikana kehittäneet laajan valikoiman tuotelinjoja, jotka perustuvat itse kehitettyihin teknologioihimme. Laaja tuotevalikoima, jokainen läheisesti korreloi, sisältää hydraulisia ja sähköisiä vinssejä, planetaarisia vaihteistoja, kääntölaitteita, vaihteistoja, hydraulimoottoreita, pumppuja ja hydraulijärjestelmiä.
Tuotteidemme luotettavuus on todistettu vahvasti erilaisissa sovelluksissa, mukaan lukien rajoituksetta teollisuuskoneet, rakennuskoneet, laiva- ja kansikoneet, off-shore-laitteet, kaivos- ja metallurgiset koneet.
Lisäksi useat maailmanlaajuisesti tunnetut sertifiointielimet ovat hyväksyneet tuotteidemme laadun. Tuotteidemme saamia sertifikaatteja ovat EY-tyyppitarkastustodistus, BV MODE, DNV GL -sertifikaatti, EY-vaatimustenmukaisuustodistus, merituotteiden tyyppihyväksyntätodistus ja Lloyd's Register -laadunvarmistus. Toistaiseksi olemme vieneet tuotteitamme laajasti kotimarkkinoiden Kiinan lisäksi Yhdysvaltoihin, Saksaan, Alankomaihin, Australiaan, Venäjälle, Turkkiin, Singaporeen, Japaniin, Etelä-Koreaan, Malesiaan, Vietnamiin, Intiaan ja Iraniin. Logistiikka- ja huoltopalvelumme kattavat koko maailman nopeasti ja luotettavasti asiakkaidemme syvien etujen mukaisesti.
16 Mar,2026
09 Mar,2026
02 Mar,2026
23 Feb,2026
16 Feb,2026
TOP